网站首页
公司简介
产品中心
新闻资讯
服务体系
电子样本
联系我们
产品中心
Product
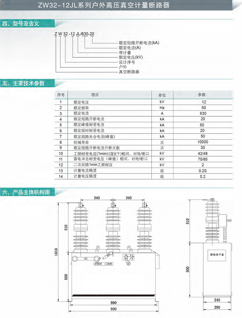
ZW32-12.JL系列户外高压真空计量断路器
网站首页
电话咨询
QQ咨询
联系我们
民腾电气有限公司 版权所有
联系电话:
18006777815
地址:浙江省乐清市七里港产业园